Steh- und Flanschlagergehäuse

Steh- und Flanschlagergehäuse sind in verschiedenen Ausführungen erhältlich.

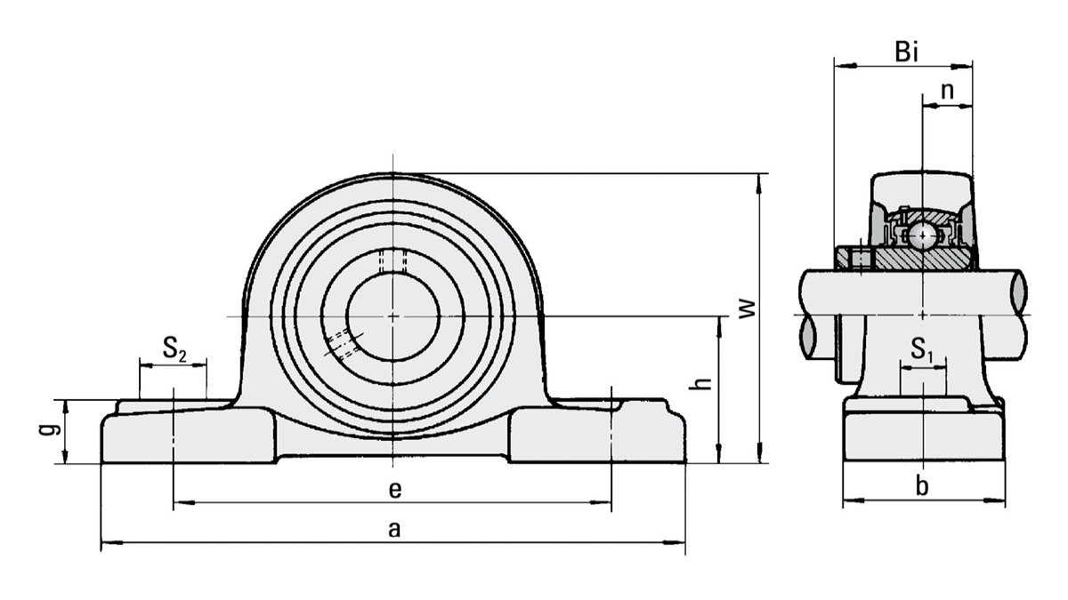
SMG führt PL Stehlagergehäuse, F 4-Loch-Flanschlager-Gehäuse und FL 2-Loch -Flanschlager-Gehäuse aus Kunststoff.

Die Steh-und Flanschlagergehäuse von SMG bestehen aus glasfaserverstärktem Polyamid. Die Schraublöcher sind mit verzinkten Stahleinlagen (optional Edelstahl) verstärkt. Neben den unter UC-Einsätzen aufgeführten Kunststoffeinsätzen passen auch viele handelsübliche Stahleinsätze in dieses Gehäuse.

 

 
 
 

Willkommen bei SMG

Sie wünschen detaillierte Information zu unserem Produktportfolio oder eine technische Beratung.

Kontaktieren Sie uns gerne jederzeit.

 
smg_seelig_tom
Ihr Ansprechpartner: Tom Seelig

Kontakt

Telefon: +49 7431 10 2065
E-Mail: sales@smg-plastics.de

Schmeing GmbH & Co. KG

Ostring 26
46348 Raesfeld
Deutschland

Scroll to top